从厂区规划、工艺设计、设备选型、设备制作、设备安装、试运行直至交付正式投产,潍坊隆福全程跟踪服务
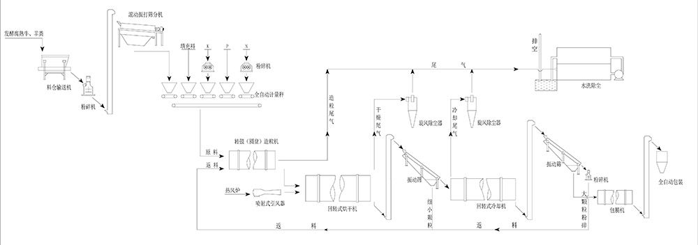
1、利用发酵腐熟羊(牛)粪生产生物有机工艺流程图

2、腐熟羊(牛)粪进入生产线
|
|
3、腐熟羊(牛)粪预粉碎、筛选(造粒前腐熟料精选,粒径要求≤1.00mm)
|
|
4、精选腐熟羊(牛)粪进入自动计量装置、其他填充料进入相应的计量装置称重
|
|
5、称重后物料进入搅拌系统、送入造粒(可选圆盘造粒、转鼓造粒、挤压造粒等任意一种造粒方式)
|
|
6、圆盘造粒安装细节图
|
|
7、成球后颗粒送入回转式烘干机(弯管式振打装置防黏壁)、进入热筛分(只筛分不合格的小颗粒,颗粒直径≤2.00mm)
|
|
8、回转式烘干机、回转式冷却机安装细节
|
|
9、冷却机后肥料进入成品筛分机筛选颗粒、进入包菌机(生产生物有机肥专用)
|
|
10、成品进入全自动包装秤称重、包装、入库销售
|
|
11、生产线控制室(隔离)、成品生物有机肥颗粒
|
|
12、采用条垛式堆肥发酵工艺(也可采用槽式或罐式发酵工艺)
|
|
13、发往安装现场的照片
|
|
14、设备就位现场
|
|
15、土建施工现场(我公司亲临现场指导作业)
| ![]() |
16、设备基础制作完成
|
|
牛羊粪属于纤维类的原料,较难造粒,造粒关键点是要调整好物料细度及物料粘度。
圆盘造粒工艺指标要求:
1、 原料细度。发酵、腐熟、陈化后的牛、羊、鸡粪等原料细度≤100目。
2、 造粒。初投料造粒时应该有≤1mm的粉状返料作为母料参与造粒;造粒中要充分利用物料自身的粘力使物料在圆盘的旋转运动中成粒。
3、 稳定的投料。投料量大时,物料在圆盘中滚动时间短,成球颗粒太小且颗粒比较脆弱,成品率低易粉化。投料量小时容易出现大颗粒。
4、 造粒倾角。圆盘造粒机角度在45~55°可任意调整。
产品执行标准:生物有机肥NY884-2012
项 目 | 粉 剂 | 颗 粒 |
有效活菌数(cfu),亿/g ≥ | 0.20 | 0.20 |
有机质(以干基计),% ≥ | 40.0 | 40.0 |
水分,% ≤ | 30.0 | 30.0 |
PH值 | 5.5~8.5 | 5.5~8.5 |
大肠杆菌群数,个/g(ML) ≤ | 100 | 100 |
蛔虫卵死亡率,% ≥ | 95 | 95 |
有效期,月 ≥ | 6 | 6 |
网址:www.mkcoback.cn
联系方式:王总13953699265
孙总 18263637732
| 上一条:陕西咸阳润源生物科技有限公司 | 下一条:文丘里洗涤器 |



































